
電動執行器
閥門首頁 > 產品展示 > 電動執行器 > 





DKZ型直行程電動執行機構可以與DDZ-Ⅲ型儀表配套使用,也可以與組裝儀表及TA儀表配用。它以220V電源為動力,接受統一的標準信號 4-20mmA.DC,將此轉變成與輸入信號相對應的出軸直線位移,自動地操縱調節閥或其它終端機構等完成自動調節任務,或者配用電動操作器實行手動遙 控。廣泛地用于發電廠、鋼鐵、石油、化工、輕工等工業部門的調節系統中。
該儀表具有連續調節、手動遙控、就地手操三種控制方式。使用DKZ型直行程電動執行機構的自動調節系統需配用ZPE-2030型伺服放大器、DFD-1000型電動操作器后才可實現自動調節系統手動自動無擾動切換。
| 項目名稱 | DKZ標準型(不帶H) | DKZ戶外型(帶H) | |
|---|---|---|---|
| 控制機構 | 輸入信號 | 無 | |
| 反饋信號 | 0—10mAdc 4—20mAdc | ||
| 死區 | 0.4%—3% | 0.4%—3% | |
| 基本誤差 | ±2.5% | ±2.5% | |
| 回差 | ≤1.5% | ≤1.5% | |
| 限位 | 開側/閉側 | 開側/閉側 | |
| 開度檢測 | 精密導電塑料電位器 | 精密導電塑料電位器 | |
| 動力 | 動力 | 220V/50Hz | 220V/50Hz |
| 驅動電機 | 伺服電機 | 伺服電機 | |
| 附屬機構 | 加熱器 | 選擇件 | 選擇件 |
| 手動機構 | 手輪 | 手輪 | |
| 安裝條件 | 環境溫度 | 無加熱器—25℃~+70℃ | 無加熱器—25℃~+70℃ |
| 相對濕度 | <95% | <95% | |
| 環境氣體 | 無腐蝕性氣體 | 無腐蝕性氣體 | |
| 接線口 | 十四線插頭 | 接線柱 | |
| 防護等級 | IP65 | ||
| 型號 | 額定負載(N) | 額定行程 (mm) | 全行程時間 (S) | 額定電流(A) | 質量(Kg) |
|---|---|---|---|---|---|
| DKZ-310(H) | 4000 | 10 | 8 | 0.65 | 50 |
| 16 | 125 | ||||
| 25 | 20 | ||||
| 30 | 24 | ||||
| DKZ-410(H) | 6400 | 18 | 16 | 0.65 | 50 |
| 30 | 24 | ||||
| 40 | 32 | ||||
| 60 | 50 | ||||
| DKZ-510(H) | 16000 | 30 | 16 | 1.5 | 95 |
| 50 | 30 | ||||
| 60 | 40 | ||||
| 100 | 60 | ||||
| DKZ-610(H) | 25000 | 30 | 16 | 2.5 | 110 |
| 50 | 30 | ||||
| 60 | 40 | ||||
| 100 | 60 |


一、①直行程電動執行器產品名稱與型號②直行程電動執行器口徑③是否帶附件以便我們的為您正確選型。
二、若已經由設計單位選定上海湖泉的直行程電動執行器型號,請按直行程電動執行器型號直接向我司銷售部訂購。
三、當使用的場合非常重要或環境比較復雜時,請您盡量提供設計圖紙和詳細參數,由我們的湖泉閥門專家為您審核把關。
感謝您訪問我們的網站【http://www.zhengtianyang.com.cn/】,如有任何疑問.您可以致電給我們,我們一定會盡心盡力為您提供優質的服務
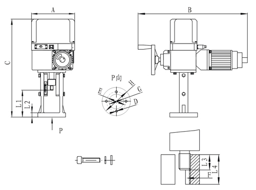
| 型號 | 長X寬X高 | 閥桿連接螺孔F | 法蘭連接孔距E | 法蘭連接孔距E | 法蘭吻合內徑G | 公稱通徑 | 連接頭至法蘭底端 | |
|---|---|---|---|---|---|---|---|---|
| AXBXC | Dg | 行程 | L | |||||
| DKZ310 | 230X460X490 |
M8 |
Φ80 |
2一Φ11 |
Φ60 | 25、32 | 10 | 85.5 |
| —— | 16 | 79.5 | ||||||
| 40、50 | 25 | 70.5 | ||||||
| DKZ410 | 230X530X540 | M12X1.25 | Φ105 | 4一Φ11 | Φ80 | 65、80、100 | 40 | 107 |
| 230X460X575 | M16X1.5 | Φ118 | 4一Φll | Φ95 | 125、150 | 60 | 112 | |
| DKZ510 | 260X630X625 | M16X1.5 | Φ118 | 4一Φll | Φ95 | 200 | 60 | 113 |
| 260X630X645 | M20X1.5 | Φ130 | 4一Φ18 | Φ100 | 300、250 | 100 | 93 | |
| DKZ610 | 260X720X625 | M16X1.5 | Φ118 | 4一Φ1l | Φ95 | 400、500 | 60 | 113 |
| 260X720X645 | M20X1.5 | Φ130 | 4一Φ18 | Φ100 | 500、600 | 100 | 93 | |

上一篇:DKJ/ZKJ角行程電動執行器(角行程電動執行機構) / 下一篇:西門子2SA3系列多回轉電動執行機構